HOME > 제품소개 > 엔드밀



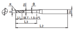
| EDP. No. | 규격(mm) | 유 효 길 이 | |||||||||||
|---|---|---|---|---|---|---|---|---|---|---|---|---|---|
| D | R | L2 | L1 | d1 | L3 | d3 | θ | 0.5° | 1° | 1.5° | 2° | 3° | |
| ZSLNR2002-0.5-005 | 0.2 | 0.05 | 0.5 | 0.15 | 0.17 | 50 | 4 | 11.4 | 0.9 | 1.0 | 1.0 | 1.1 | 1.2 |
| ZSLNR2002-1-005 | 0.2 | 0.05 | 1 | 0.15 | 0.17 | 50 | 4 | 10.9 | 1.6 | 1.7 | 1.9 | 2.0 | 2.3 |
| ZSLNR2002-1.5-005 | 0.2 | 0.05 | 1.5 | 0.15 | 0.17 | 50 | 4 | 10.3 | 2.1 | 2.3 | 2.5 | 2.7 | 3.0 |
| ZSLNR2002-2-005 | 0.2 | 0.05 | 2 | 0.15 | 0.17 | 50 | 4 | 9.9 | 2.8 | 3.1 | 3.4 | 3.6 | 4.1 |
| ZSLNR2003-1-005 | 0.3 | 0.05 | 1 | 0.25 | 0.27 | 50 | 4 | 10.8 | 1.4 | 1.5 | 1.6 | 1.7 | 1.9 |
| ZSLNR2003-1.5-005 | 0.3 | 0.05 | 1.5 | 0.25 | 0.27 | 50 | 4 | 10.3 | 2.1 | 2.3 | 2.5 | 2.7 | 3.0 |
| ZSLNR2003-2-005 | 0.3 | 0.05 | 2 | 0.25 | 0.27 | 50 | 4 | 9.8 | 2.7 | 2.9 | 3.1 | 3.3 | 3.6 |
| ZSLNR2003-2.5-005 | 0.3 | 0.05 | 2.5 | 0.25 | 0.27 | 50 | 4 | 9.4 | 3.2 | 3.5 | 3.7 | 3.9 | 4.3 |
| ZSLNR2003-3-005 | 0.3 | 0.05 | 3 | 0.25 | 0.27 | 50 | 4 | 9.0 | 3.9 | 4.3 | 4.6 | 4.9 | 5.4 |
| ZSLNR2004-1-005 | 0.4 | 0.05 | 1 | 0.3 | 0.37 | 50 | 4 | 10.8 | 1.4 | 1.5 | 1.6 | 1.7 | 1.9 |
| ZSLNR2004-1.5-005 | 0.4 | 0.05 | 1.5 | 0.3 | 0.37 | 50 | 4 | 10.3 | 2.0 | 2.1 | 2.2 | 2.3 | 2.5 |
| ZSLNR2004-2-005 | 0.4 | 0.05 | 2 | 0.3 | 0.37 | 50 | 4 | 9.8 | 2.7 | 2.9 | 3.1 | 3.3 | 3.6 |
| ZSLNR2004-2.5-005 | 0.4 | 0.05 | 2.5 | 0.3 | 0.37 | 50 | 4 | 9.4 | 3.2 | 3.5 | 3.7 | 3.9 | 4.3 |
| ZSLNR2004-3-005 | 0.4 | 0.05 | 3 | 0.3 | 0.37 | 50 | 4 | 9.0 | 3.8 | 4.0 | 4.3 | 4.5 | 4.9 |
| ZSLNR2004-3.5-005 | 0.4 | 0.05 | 3.5 | 0.3 | 0.37 | 50 | 4 | 8.6 | 4.3 | 4.6 | 4.9 | 5.1 | 5.5 |
| ZSLNR2004-4-005 | 0.4 | 0.05 | 4 | 0.3 | 0.37 | 50 | 4 | 8.3 | 5.0 | 5.4 | 5.8 | 6.1 | 6.6 |
| ZSLNR2004-2-01 | 0.4 | 0.1 | 2 | 0.3 | 0.37 | 50 | 4 | 9.8 | 2.7 | 2.9 | 3.1 | 3.3 | 3.6 |
| ZSLNR2004-3-01 | 0.4 | 0.1 | 3 | 0.3 | 0.37 | 50 | 4 | 9.0 | 3.8 | 4.0 | 4.3 | 4.5 | 4.9 |
| ZSLNR2004-4-01 | 0.4 | 0.1 | 4 | 0.3 | 0.37 | 50 | 4 | 8.3 | 5.0 | 5.4 | 5.8 | 6.1 | 6.6 |
| ZSLNR2005-1-005 | 0.5 | 0.05 | 1 | 0.35 | 0.47 | 50 | 4 | 10.8 | 1.4 | 1.5 | 1.6 | 1.7 | 1.9 |
| ZSLNR2005-2-005 | 0.5 | 0.05 | 2 | 0.35 | 0.47 | 50 | 4 | 9.7 | 2.5 | 2.6 | 2.8 | 2.9 | 3.1 |
| ZSLNR2005-3-005 | 0.5 | 0.05 | 3 | 0.35 | 0.47 | 50 | 4 | 8.9 | 3.8 | 4.0 | 4.3 | 4.5 | 4.9 |
| ZSLNR2005-4-005 | 0.5 | 0.05 | 4 | 0.35 | 0.47 | 50 | 4 | 8.2 | 4.8 | 5.2 | 5.4 | 5.7 | 6.1 |
| ZSLNR2005-5-005 | 0.5 | 0.05 | 5 | 0.35 | 0.47 | 50 | 4 | 7.6 | 6.1 | 6.6 | 6.9 | 7.3 | 7.8 |
| ZSLNR2005-6-005 | 0.5 | 0.05 | 6 | 0.35 | 0.47 | 50 | 4 | 7.0 | 7.2 | 7.7 | 8.1 | 8.4 | 9.0 |
| ZSLNR2005-1-01 | 0.5 | 0.1 | 1 | 0.35 | 0.47 | 50 | 4 | 10.8 | 1.4 | 1.5 | 1.6 | 1.7 | 1.9 |
| ZSLNR2005-2-01 | 0.5 | 0.1 | 2 | 0.35 | 0.47 | 50 | 4 | 9.8 | 2.5 | 2.6 | 2.8 | 2.9 | 3.1 |
| ZSLNR2005-3-01 | 0.5 | 0.1 | 3 | 0.35 | 0.47 | 50 | 4 | 8.9 | 3.8 | 4.0 | 4.3 | 4.5 | 4.9 |
| ZSLNR2005-4-01 | 0.5 | 0.1 | 4 | 0.35 | 0.47 | 50 | 4 | 8.2 | 4.8 | 5.2 | 5.4 | 5.7 | 6.1 |
| ZSLNR2005-5-01 | 0.5 | 0.1 | 5 | 0.35 | 0.47 | 50 | 4 | 7.6 | 6.1 | 6.5 | 6.9 | 7.2 | 7.8 |
| ZSLNR2005-6-01 | 0.5 | 0.1 | 6 | 0.35 | 0.47 | 50 | 4 | 7.1 | 7.2 | 7.7 | 8.1 | 8.4 | 9.0 |
| ZSLNR2006-2-01 | 0.6 | 0.1 | 2 | 0.4 | 0.57 | 50 | 4 | 9.7 | 2.5 | 2.6 | 2.8 | 2.9 | 3.1 |
| ZSLNR2006-4-01 | 0.6 | 0.1 | 4 | 0.4 | 0.57 | 50 | 4 | 8.1 | 4.8 | 5.2 | 5.4 | 5.7 | 6.1 |
| ZSLNR2006-6-01 | 0.6 | 0.1 | 6 | 0.4 | 0.57 | 50 | 4 | 7.0 | 7.2 | 7.7 | 8.1 | 8.4 | 9.0 |
| ZSLNR2006-8-01 | 0.6 | 0.1 | 8 | 0.4 | 0.57 | 50 | 4 | 6.1 | 9.3 | 9.9 | 10.3 | 10.7 | 11.4 |
| ZSLNR2006-10-01 | 0.6 | 0.1 | 10 | 0.4 | 0.57 | 50 | 4 | 5.5 | 11.5 | 12.1 | 12.5 | 13.0 | 13.7 |
| ZSLNR2008-4-01 | 0.8 | 0.1 | 4 | 0.5 | 0.77 | 50 | 4 | 8.0 | 4.8 | 5.2 | 5.4 | 5.7 | 6.1 |
| ZSLNR2008-6-01 | 0.8 | 0.1 | 6 | 0.5 | 0.77 | 50 | 4 | 6.8 | 7.0 | 7.4 | 7.7 | 7.9 | 8.4 |
| ZSLNR2008-8-01 | 0.8 | 0.1 | 8 | 0.5 | 0.77 | 50 | 4 | 5.9 | 9.3 | 9.9 | 10.3 | 10.7 | 11.4 |
| ZSLNR2008-12-01 | 0.8 | 0.1 | 12 | 0.5 | 0.77 | 55 | 4 | 4.7 | 13.6 | 14.2 | 14.7 | 15.2 | 16.0 |
| ZSLNR2008-4-02 | 0.8 | 0.2 | 4 | 0.5 | 0.77 | 50 | 4 | 8.0 | 4.8 | 5.1 | 5.4 | 5.6 | 6.1 |
| ZSLNR2008-6-02 | 0.8 | 0.2 | 6 | 0.5 | 0.77 | 50 | 4 | 6.9 | 7.0 | 7.3 | 7.7 | 7.9 | 8.4 |
| ZSLNR2010-4-01 | 1 | 0.1 | 4 | 0.8 | 0.94 | 50 | 4 | 7.7 | 4.7 | 4.9 | 5.1 | 5.2 | 5.5 |
| ZSLNR2010-6-01 | 1 | 0.1 | 6 | 0.8 | 0.94 | 50 | 4 | 6.6 | 7.1 | 7.4 | 7.7 | 8.0 | 8.5 |
| ZSLNR2010-8-01 | 1 | 0.1 | 8 | 0.8 | 0.94 | 50 | 4 | 5.7 | 9.2 | 9.6 | 9.9 | 10.2 | 10.8 |
| ZSLNR2010-10-01 | 1 | 0.1 | 10 | 0.8 | 0.94 | 50 | 4 | 5.1 | 11.6 | 12.1 | 12.6 | 13.0 | 13.7 |
| ZSLNR2010-12-01 | 1 | 0.1 | 12 | 0.8 | 0.94 | 55 | 4 | 4.5 | 13.7 | 14.3 | 14.8 | 15.3 | 16.0 |
| ZSLNR2010-16-01 | 1 | 0.1 | 16 | 0.8 | 0.94 | 60 | 4 | 3.8 | 17.9 | 18.6 | 19.2 | 19.7 | 21.3 |
| ZSLNR2010-20-01 | 1 | 0.1 | 20 | 0.8 | 0.94 | 60 | 4 | 3.2 | 22.0 | 22.8 | 23.5 | 24.0 | 26.7 |
| ZSLNR2010-4-02 | 1 | 0.2 | 4 | 0.8 | 0.94 | 50 | 4 | 7.8 | 4.7 | 4.9 | 5.1 | 5.2 | 5.5 |
| ZSLNR2010-6-02 | 1 | 0.2 | 6 | 0.8 | 0.94 | 50 | 4 | 6.6 | 7.1 | 7.4 | 7.7 | 8.0 | 8.5 |
| ZSLNR2010-8-02 | 1 | 0.2 | 8 | 0.8 | 0.94 | 50 | 4 | 5.8 | 9.2 | 9.6 | 9.9 | 10.2 | 10.8 |
| ZSLNR2010-10-02 | 1 | 0.2 | 10 | 0.8 | 0.94 | 50 | 4 | 5.1 | 11.6 | 12.1 | 12.6 | 13.0 | 13.7 |
| ZSLNR2010-12-02 | 1 | 0.2 | 12 | 0.8 | 0.94 | 55 | 4 | 4.6 | 13.7 | 14.3 | 14.8 | 15.2 | 16.0 |
| ZSLNR2010-16-02 | 1 | 0.2 | 16 | 0.8 | 0.94 | 60 | 4 | 3.8 | 17.9 | 18.6 | 19.2 | 19.7 | 21.3 |
| ZSLNR2010-20-02 | 1 | 0.2 | 20 | 0.8 | 0.94 | 60 | 4 | 3.2 | 22.0 | 22.8 | 23.5 | 24.0 | 26.6 |
| ZSLNR2010-6-03 | 1 | 0.3 | 6 | 0.8 | 0.94 | 50 | 4 | 6.7 | 7.1 | 7.4 | 7.7 | 8.0 | 8.4 |
| ZSLNR2010-10-03 | 1 | 0.3 | 10 | 0.8 | 0.94 | 50 | 4 | 5.1 | 1105 | 12.1 | 12.6 | 13.0 | 13.7 |
| ZSLNR2010-16-03 | 1 | 0.3 | 16 | 0.8 | 0.94 | 60 | 4 | 3.8 | 17.9 | 18.6 | 19.1 | 19.6 | 21.3 |
| ZSLNR2010-20-03 | 1 | 0.3 | 20 | 0.8 | 0.94 | 60 | 4 | 3.2 | 22.0 | 22.8 | 23.5 | 24.0 | 26.6 |
| ZSLNR2015-4-01 | 1.5 | 0.1 | 4 | 1.35 | 1.45 | 50 | 4 | 7.2 | 4.8 | 4.9 | 5.1 | 5.3 | 5.5 |
| ZSLNR2015-8-01 | 1.5 | 0.1 | 8 | 1.35 | 1.45 | 50 | 4 | 5.2 | 9.2 | 9.6 | 10.0 | 10.3 | 10.8 |
| ZSLNR2015-12-01 | 1.5 | 0.1 | 12 | 1.35 | 1.45 | 55 | 4 | 4.0 | 13.4 | 13.9 | 14.3 | 14.7 | 16.1 |
| ZSLNR2015-15-01 | 1.5 | 0.1 | 15 | 1.35 | 1.45 | 55 | 4 | 3.5 | 16.9 | 17.6 | 18.1 | 18.6 | 20.1 |
| ZSLNR2015-20-01 | 1.5 | 0.1 | 20 | 1.35 | 1.45 | 60 | 4 | 2.8 | 22.1 | 22.9 | 23.5 | 24.1 | - |
| ZSLNR2015-4-02 | 1.5 | 0.2 | 4 | 1.35 | 1.45 | 50 | 4 | 7.3 | 4.7 | 4.9 | 5.1 | 5.3 | 5.5 |
| ZSLNR2015-8-02 | 1.5 | 0.2 | 8 | 1.35 | 1.42 | 50 | 4 | 5.2 | 9.2 | 9.6 | 10.0 | 10.3 | 10.8 |
| ZSLNR2015-12-02 | 1.5 | 0.2 | 12 | 1.35 | 1.42 | 55 | 4 | 4.1 | 13.4 | 13.9 | 14.3 | 14.7 | 16.1 |
| ZSLNR2015-15-02 | 1.5 | 0.2 | 15 | 1.35 | 1.42 | 55 | 4 | 3.5 | 16.9 | 17.5 | 18.1 | 18.6 | 20.0 |
| ZSLNR2015-20-02 | 1.5 | 0.2 | 20 | 1.35 | 1.42 | 60 | 4 | 2.8 | 22.1 | 22.9 | 23.5 | 24.1 | - |
| ZSLNR2015-8-03 | 1.5 | 0.3 | 8 | 1.35 | 1.42 | 50 | 4 | 5.2 | 9.2 | 9.6 | 10.0 | 10.3 | 10.8 |
| ZSLNR2015-15-03 | 1.5 | 0.3 | 15 | 1.35 | 1.42 | 55 | 4 | 3.5 | 16.9 | 17.5 | 18.1 | 18.6 | 20.0 |
| ZSLNR2015-20-03 | 1.5 | 0.3 | 20 | 1.35 | 1.42 | 60 | 4 | 2.8 | 22.1 | 22.9 | 23.5 | 24.0 | - |
| vZSLNR2020-6-02 | 2 | 0.2 | 6 | 1.7 | 1.92 | 50 | 4 | 5.4 | 6.8 | 7.1 | 7.3 | 7.5 | 8.1 |
| ZSLNR2020-8-02 | 2 | 0.2 | 8 | 1.7 | 1.92 | 50 | 4 | 4.6 | 8.9 | 9.2 | 9.4 | 9.7 | 10.8 |
| ZSLNR2020-12-02 | 2 | 0.2 | 12 | 1.7 | 1.92 | 55 | 4 | 3.5 | 13.4 | 13.9 | 14.3 | 14.7 | 16.1 |
| ZSLNR2020-16-02 | 2 | 0.2 | 16 | 1.7 | 1.92 | 55 | 4 | 2.8 | 17.6 | 18.1 | 18.6 | 19.3 | - |
| ZSLNR2020-20-02 | 2 | 0.2 | 20 | 1.7 | 1.92 | 60 | 4 | 2.4 | 22.1 | 22.9 | 23.5 | 24.1 | - |
| ZSLNR2020-25-02 | 2 | 0.2 | 25 | 1.7 | 1.92 | 65 | 4 | 2.0 | 27.3 | 28.2 | 28.8 | - | - |
| ZSLNR2020-30-02 | 2 | 0.2 | 30 | 1.7 | 1.92 | 70 | 4 | 1.7 | 32.5 | 33.4 | 34.4 | - | - |
| ZSLNR2020-8-03 | 2 | 0.3 | 8 | 1.7 | 1.92 | 50 | 4 | 4.6 | 8.9 | 9.2 | 9.4 | 9.7 | 10.7 |
| ZSLNR2020-16-03 | 2 | 0.3 | 16 | 1.7 | 1.92 | 55 | 4 | 2.8 | 17.6 | 18.1 | 18.6 | 19.3 | - |
| ZSLNR2020-20-03 | 2 | 0.3 | 20 | 1.7 | 1.92 | 60 | 4 | 2.4 | 22.1 | 22.9 | 23.5 | 24.0 | - |
| ZSLNR2020-6-05 | 2 | 0.5 | 6 | 1.7 | 1.92 | 50 | 4 | 5.5 | 56.8 | 7.1 | 7.3 | 7.4 | 8.0 |
| ZSLNR2020-8-05 | 2 | 0.5 | 8 | 1.7 | 1.92 | 50 | 4 | 4.7 | 8.9 | 9.2 | 9.4 | 9.6 | 10.7 |
| ZSLNR2020-12-05 | 2 | 0.5 | 12 | 1.7 | 1.92 | 55 | 4 | 3.5 | 13.4 | 13.9 | 14.3 | 14.6 | 16.0 |
| ZSLNR2020-16-05 | 2 | 0.5 | 16 | 1.7 | 1.92 | 55 | 4 | 2.9 | 17.6 | 18.1 | 18.6 | 19.2 | - |
| ZSLNR2020-20-05 | 2 | 0.5 | 20 | 1.7 | 1.92 | 60 | 4 | 2.4 | 22.1 | 22.9 | 23.5 | 24.0 | - |
| ZSLNR2020-25-05 | 2 | 0.5 | 25 | 1.7 | 1.92 | 65 | 4 | 2.0 | 27.3 | 28.1 | 28.8 | - | - |
| ZSLNR2020-30-05 | 2 | 0.5 | 30 | 1.7 | 1.92 | 70 | 4 | 1.7 | 32.5 | 33.4 | 34.3 | - | - |
| ZSLNR2020-8-08 | 2 | 0.8 | 8 | 1.7 | 1.92 | 50 | 4 | 4.8 | 8.9 | 9.2 | 9.4 | 9.6 | 10.6 |
| ZSLNR2020-16-08 | 2 | 0.8 | 16 | 1.7 | 1.92 | 55 | 4 | 2.9 | 17.6 | 18.1 | 18.6 | 19.2 | - |
| ZSLNR2020-20-08 | 2 | 0.8 | 20 | 1.7 | 1.92 | 60 | 4 | 2.4 | 22.1 | 22.8 | 23.5 | 24.0 | - |
| ZSLNR2030-8-02 | 3 | 0.2 | 8 | 2.5 | 2.86 | 55 | 6 | 5.7 | 9.0 | 9.3 | 9.5 | 9.9 | 10.9 |
| ZSLNR2030-12-02 | 3 | 0.2 | 12 | 2.5 | 2.86 | 60 | 6 | 4.5 | 13.1 | 13.5 | 14.0 | 14.7 | 16.2 |
| ZSLNR2030-16-02 | 3 | 0.2 | 16 | 2.5 | 2.86 | 60 | 6 | 3.8 | 17.7 | 18.2 | 18.7 | 19.5 | 21.6 |
| ZSLNR2030-20-02 | 3 | 0.2 | 20 | 2.5 | 2.86 | 65 | 6 | 3.2 | 21.8 | 22.4 | 23.1 | 24.2 | 26.9 |
| ZSLNR2030-30-02 | 3 | 0.2 | 30 | 2.5 | 2.86 | 75 | 6 | 2.4 | 32.6 | 33.5 | 34.5 | 36.2 | - |
| ZSLNR2030-35-02 | 3 | 0.2 | 35 | 2.5 | 2.86 | 80 | 6 | 2.1 | 37.7 | 38.7 | 40.2 | 42.2 | - |
| ZSLNR2030-8-03 | 3 | 0.3 | 8 | 2.5 | 2.86 | 55 | 6 | 5.7 | 9.0 | 9.3 | 9.5 | 9.9 | 10.9 |
| ZSLNR2030-16-03 | 3 | 0.3 | 16 | 2.5 | 2.86 | 60 | 6 | 3.8 | 17.7 | 18.2 | 18.7 | 19.4 | 21.5 |
| ZSLNR2030-20-03 | 3 | 0.3 | 20 | 2.5 | 2.86 | 65 | 6 | 3.2 | 21.8 | 22.4 | 23.1 | 24.2 | 26.8 |
| ZSLNR2030-30-03 | 3 | 0.3 | 30 | 2.5 | 2.86 | 75 | 6 | 2.4 | 32.6 | 33.5 | 34.5 | 36.2 | - |
| ZSLNR2030-8-05 | 3 | 0.5 | 8 | 2.5 | 2.86 | 55 | 6 | 5.8 | 9.0 | 9.3 | 9.5 | 9.8 | 10.8 |
| ZSLNR2030-12-05 | 3 | 0.5 | 12 | 2.5 | 2.86 | 60 | 6 | 4.6 | 13.1 | 13.5 | 13.9 | 14.6 | 16.2 |
| ZSLNR2030-16-05 | 3 | 0.5 | 16 | 2.5 | 2.86 | 60 | 6 | 3.8 | 17.7 | 18.2 | 18.7 | 19.4 | 21.5 |
| ZSLNR2030-20-05 | 3 | 0.5 | 20 | 2.5 | 2.86 | 65 | 6 | 3.2 | 21.8 | 22.4 | 23.1 | 24.2 | 26.8 |
| ZSLNR2030-30-05 | 3 | 0.5 | 30 | 2.5 | 2.86 | 75 | 6 | 2.4 | 32.6 | 33.5 | 34.5 | 36.1 | - |
| ZSLNR2030-35-05 | 3 | 0.5 | 35 | 2.5 | 2.86 | 80 | 6 | 2.1 | 37.7 | 38.7 | 40.2 | 42.1 | - |
| 탄소강 (S45C, S55C...) ~ HB225 |
합금강 (SCM, SK...) HB225~325 |
프리하든강 (NAK...) HRc30~50 |
열처리강 | 동 | 흑연 | 주철 FCD400. 500~ |
알루미늄 | 스테인리스강 | |
|---|---|---|---|---|---|---|---|---|---|
| ~HRc55 SKD61 | ~HRc55 SKD11 | ||||||||
| ○ | ○ | ◎ | ◎ | ○ | |||||
| 인선부 (mm) | 자루부 |
|---|---|
| 0 ~ -0.015 | h5 |