HOME > 제품소개 > 엔드밀



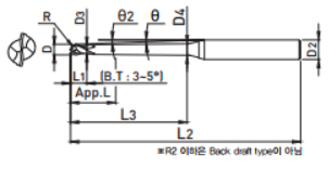
| EDP. No. | 규격(mm) | 유 효 길 이 | ||||||||||||||
|---|---|---|---|---|---|---|---|---|---|---|---|---|---|---|---|---|
| R | D | L2 | θ | L1 | d1 | d2 | L3 | d3 | App. L | θ2 | 0.5° | 1° | 1.5° | 2° | 3° | |
| ZSTNB 2002-1-04 | 0.1 | 0.2 | 1 | 0.4 | 0.15 | 0.17 | 0.18 | 50 | 4 | 1.35 | 10.9 | 1.5 | 1.7 | 1.8 | 2.0 | 2.3 |
| ZSTNB 2002-1.5-04 | 0.1 | 0.2 | 1.5 | 0.4 | 0.15 | 0.17 | 0.19 | 50 | 4 | 1.77 | 10.4 | 2.0 | 2.2 | 2.4 | 2.6 | 2.9 |
| ZSTNB 2002-2-09 | 0.1 | 0.2 | 2 | 0.9 | 0.15 | 0.17 | 0.23 | 50 | 4 | 1.10 | 10.1 | x | 2.8 | 3.1 | 3.4 | 3.9 |
| ZSTNB 2002-2.5-09 | 0.1 | 0.2 | 2.5 | 0.9 | 0.15 | 0.17 | 0.24 | 50 | 4 | 1.10 | 9.6 | x | 3.3 | 3.7 | 4.0 | 4.5 |
| ZSTNB 2003-2-04 | 0.15 | 0.3 | 2 | 0.4 | 0.25 | 0.28 | 0.29 | 50 | 4 | 2.19 | 10.0 | 2.5 | 2.8 | 3.0 | 3.2 | 3.5 |
| ZSTNB 2003-3-09 | 0.15 | 0.3 | 3 | 0.9 | 0.25 | 0.28 | 0.36 | 50 | 4 | 1.20 | 9.3 | x | 3.8 | 4.2 | 4.5 | 5.1 |
| ZSTNB 2003-4-09 | 0.15 | 0.3 | 4 | 0.9 | 0.25 | 0.28 | 0.39 | 50 | 40 | 1.20 | 8.6 | x | 4.8 | 5.3 | 5.7 | 6.3 |
| ZSTNB 2004-2-04 | 0.2 | 0.4 | 2 | 0.4 | 0.3 | 0.37 | 0.39 | 50 | 4 | 2.20 | 10.0 | 2.5 | 2.8 | 3.0 | 3.2 | 3.5 |
| ZSTNB 2004-3-04 | 0.2 | 0.4 | 3 | 0.4 | 0.3 | 0.37 | 0.41 | 50 | 4 | 2.44 | 9.1 | 3.6 | 3.9 | 4.1 | 4.4 | 4.8 |
| ZSTNB 2004-4-04 | 0.2 | 0.4 | 4 | 0.4 | 0.3 | 0.37 | 0.42 | 50 | 4 | 2.44 | 8.4 | 4.7 | 5.2 | 5.6 | 5.9 | 6.5 |
| ZSTNB 2004-4-09 | 0.2 | 0.4 | 4 | 0.9 | 0.3 | 0.37 | 0.49 | 50 | 4 | 1.25 | 8.5 | x | 4.8 | 5.3 | 5.7 | 6.3 |
| ZSTNB 2004-5-04 | 0.2 | 0.4 | 5 | 0.4 | 0.3 | 0.37 | 0.44 | 50 | 4 | 2.44 | 7.8 | 5.7 | 6.3 | 6.7 | 7.1 | 7.7 |
| ZSTNB 2004-5-09 | 0.2 | 0.4 | 5 | 0.9 | 0.3 | 0.37 | 0.52 | 50 | 4 | 1.25 | 7.9 | x | 5.9 | 6.4 | 6.8 | 7.5 |
| ZSTNB 2005-4-04 | 0.25 | 0.5 | 4 | 0.4 | 0.35 | 0.47 | 0.52 | 50 | 4 | 2.49 | 8.4 | 4.6 | 5.0 | 5.3 | 5.5 | 5.9 |
| ZSTNB 2005-8-09 | 0.25 | 0.5 | 8 | 0.9 | 0.35 | 0.47 | 0.71 | 50 | 4 | 1.30 | 6.5 | x | 8.9 | 9.6 | 10.1 | 10.9 |
| ZSTNB 2005-12-09 | 0.25 | 0.5 | 12 | 0.9 | 0.35 | 0.47 | 0.84 | 50 | 4 | 1.30 | 5.3 | x | 13.0 | 13.9 | 14.5 | 15.4 |
| ZSTNB 20054-2-04 | 0.27 | 0.54 | 2 | 0.4 | 0.37 | 0.52 | 0.54 | 50 | 4 | 1.80 | 10.0 | 2.3 | 2.5 | 2.7 | 2.8 | 3.0 |
| ZSTNB 20054-4-04 | 0.27 | 0.54 | 4 | 0.4 | 0.37 | 0.52 | 0.57 | 50 | 4 | 1.80 | 8.4 | 4.5 | 4.9 | 5.2 | 5.5 | 5.9 |
| ZSTNB 20054-5-04 | 0.27 | 0.54 | 5 | 0.4 | 0.37 | 0.52 | 0.59 | 50 | 4 | 1.80 | 7.8 | 5.5 | 6.0 | 6.3 | 6.6 | 7.1 |
| ZSTNB 20054-6-04 | 0.27 | 0.54 | 6 | 0.4 | 0.37 | 0.52 | 0.60 | 50 | 4 | 1.80 | 7.2 | 6.7 | 7.3 | 7.8 | 8.2 | 8.8 |
| ZSTNB 20054-6.5-04 | 0.27 | 0.54 | 6.5 | 0.4 | 0.37 | 0.52 | 0.61 | 50 | 4 | 1.80 | 7.0 | 7.2 | 7.9 | 8.3 | 8.7 | 9.4 |
| ZSTNB 20054-7-04 | 0.27 | 0.54 | 7 | 0.4 | 0.37 | 0.52 | 0.61 | 50 | 4 | 1.80 | 6.8 | 7.7 | 8.4 | 8.9 | 9.3 | 10.0 |
| ZSTNB 2006-2-04 | 0.3 | 0.6 | 2 | 0.4 | 0.4 | 0.57 | 0.59 | 50 | 4 | 2.17 | 10.0 | 2.4 | 2.5 | 2.7 | 2.8 | 3.0 |
| ZSTNB 2006-4-04 | 0.3 | 0.6 | 4 | 0.4 | 0.4 | 0.57 | 0.62 | 50 | 4 | 2.54 | 8.4 | 4.6 | 5.0 | 5.2 | 5.5 | 5.9 |
| ZSTNB 2006-6-04 | 0.3 | 0.6 | 6 | 0.4 | 0.4 | 0.57 | 0.65 | 50 | 4 | 2.54 | 7.2 | 6.8 | 7.4 | 7.8 | 8.2 | 8.8 |
| ZSTNB 2006-6-09 | 0.3 | 0.6 | 6 | 0.9 | 0.4 | 0.57 | 0.75 | 50 | 4 | 1.35 | 7.3 | x | 6.9 | 7.5 | 7.9 | 8.6 |
| ZSTNB 2006-8-09 | 0.3 | 0.6 | 8 | 0.9 | 0.4 | 0.57 | 0.81 | 50 | 4 | 1.35 | 6.4 | x | 8.9 | 9.6 | 10.1 | 10.9 |
| ZSTNB 2006-10-04 | 0.3 | 0.6 | 10 | 0.4 | 0.4 | 0.57 | 0.70 | 50 | 4 | 2.54 | 5.6 | 10.8 | 11.7 | 12.2 | 12.7 | 13.5 |
| ZSTNB 2006-10-09 | 0.3 | 0.6 | 10 | 0.9 | 0.4 | 0.57 | 0.87 | 50 | 4 | 1.35 | 5.7 | x | 11.0 | 11.8 | 12.3 | 13.2 |
| ZSTNB 2006-12-09 | 0.3 | 0.6 | 12 | 0.9 | 0.4 | 0.57 | 0.93 | 55 | 4 | 1.35 | 5.2 | x | 13.0 | 13.9 | 14.5 | 15.4 |
| ZSTNB 2006-15-04 | 0.3 | 0.6 | 15 | 0.4 | 0.4 | 0.57 | 0.77 | 55 | 4 | 2.54 | 4.4 | 15.9 | 17.0 | 17.6 | 18.2 | 19.2 |
| ZSTNB 2006-15-09 | 0.3 | 0.6 | 15 | 0.9 | 0.4 | 0.57 | 1.03 | 55 | 4 | 1.35 | 4.5 | x | 16.1 | 17.1 | 17.7 | 18.8 |
| ZSTNB 2008-4-04 | 0.4 | 0.8 | 4 | 0.4 | 0.5 | 0.77 | 0.82 | 50 | 4 | 2.64 | 8.3 | 4.6 | 4.9 | 5.2 | 5.5 | 5.9 |
| ZSTNB 2008-6-04 | 0.4 | 0.8 | 6 | 0.4 | 0.5 | 0.77 | 0.85 | 50 | 4 | 2.64 | 7.1 | 6.6 | 7.1 | 7.5 | 7.7 | 8.3 |
| ZSTNB 2008-8-09 | 0.4 | 0.8 | 8 | 0.9 | 0.5 | 0.77 | 1.01 | 50 | 4 | 1.45 | 6.3 | x | 8.9 | 9.6 | 10.1 | 10.9 |
| ZSTNB 2008-12-09 | 0.4 | 0.8 | 12 | 0.9 | 0.5 | 0.77 | 1.13 | 55 | 4 | 1.45 | 5.0 | x | 13.0 | 13.9 | 14.5 | 15.4 |
| ZSTNB 2008-16-09 | 0.4 | 0.8 | 16 | 0.9 | 0.5 | 0.77 | 1.26 | 55 | 4 | 1.45 | 4.2 | x | 17.1 | 18.1 | 18.8 | 19.9 |
| ZSTNB 2009-4-04 | 0.45 | 0.9 | 4 | 0.4 | 0.6 | 0.86 | 0.91 | 50 | 4 | 3.46 | 8.2 | 4.5 | 4.7 | 4.9 | 5.1 | 5.4 |
| ZSTNB 2009-8-04 | 0.45 | 0.9 | 8 | 0.4 | 0.6 | 0.86 | 0.96 | 55 | 4 | 3.46 | 6.1 | 8.7 | 9.3 | 9.7 | 10.0 | 10.6 |
| ZSTNB 2009-12-04 | 0.45 | 0.9 | 12 | 0.4 | 0.6 | 0.86 | 1.02 | 55 | 4 | 3.46 | 4.8 | 12.9 | 13.8 | 14.4 | 14.9 | 15.7 |
| ZSTNB 2009-16-04 | 0.45 | 0.9 | 16 | 0.4 | 0.6 | 0.86 | 1.08 | 60 | 4 | 3.46 | 4.0 | 17.0 | 18.0 | 18.7 | 19.3 | 20.5 |
| ZSTNB 2009-18-04 | 0.45 | 0.9 | 18 | 0.4 | 0.6 | 0.86 | 1.10 | 55 | 4 | 3.46 | 3.7 | 19.1 | 20.1 | 20.9 | 21.5 | 23.1 |
| ZSTNB 2009-20-04 | 0.45 | 0.9 | 10 | 0.4 | 0.6 | 0.86 | 1.13 | 65 | 4 | 3.46 | 3.4 | 21.1 | 22.2 | 23.0 | 23.6 | 25.6 |
| ZSTNB 2009-22-04 | 0.45 | 0.9 | 22 | 0.4 | 0.6 | 0.86 | 1.16 | 65 | 4 | 3.46 | 3.2 | 23.1 | 24.3 | 25.1 | 25.8 | 28.2 |
| ZSTNB 2009-24-04 | 0.45 | 0.9 | 24 | 0.4 | 0.6 | 0.86 | 1.19 | 70 | 4 | 3.46 | 3.0 | 25.2 | 26.4 | 27.2 | 27.9 | - |
| ZSTNB 2010-6-04 | 0.5 | 1 | 6 | 0.4 | 0.8 | 0.94 | 1.01 | 50 | 6 | 5.09 | 8.3 | 6.8 | 7.2 | 7.5 | 7.8 | 8.3 |
| ZSTNB 2010-8-04 | 0.5 | 1 | 8 | 0.4 | 0.8 | 0.94 | 1.04 | 55 | 6 | 5.09 | 7.5 | 8.8 | 9.3 | 9.7 | 10.0 | 10.6 |
| ZSTNB 2010-10-04 | 0.5 | 1 | 10 | 0.4 | 0.8 | 0.94 | 1.07 | 55 | 6 | 5.09 | 6.8 | 11.0 | 11.7 | 12.3 | 12.7 | 13.5 |
| ZSTNB 2010-10-09 | 0.5 | 1 | 10 | 0.9 | 0.8 | 0.94 | 1.23 | 55 | 6 | 2.70 | 6.9 | x | 11.2 | 11.9 | 12.4 | 13.2 |
| ZSTNB 2010-15-09 | 0.5 | 1 | 15 | 0.9 | 0.8 | 0.94 | 1.39 | 60 | 6 | 2.70 | 5.7 | x | 16.2 | 17.1 | 17.8 | 18.8 |
| ZSTNB 2010-20-04 | 0.5 | 1 | 20 | 0.4 | 0.8 | 0.94 | 1.21 | 65 | 6 | 5.09 | 4.7 | 21.2 | 22.3 | 23.0 | 23.6 | 25.7 |
| ZSTNB 2010-20-09 | 0.5 | 1 | 20 | 0.9 | 0.8 | 0.94 | 1.54 | 65 | 6 | 2.70 | 4.8 | x | 21.3 | 22.4 | 23.1 | 24.6 |
| ZSTNB 2010-25-09 | 0.5 | 1 | 25 | 0.9 | 0.8 | 0.94 | 1.70 | 70 | 6 | 2.70 | 4.2 | x | 26.4 | 27.6 | 28.4 | 30.8 |
| ZSTNB 2010-30-04 | 0.5 | 1 | 30 | 0.4 | 0.8 | 0.94 | 1.35 | 75 | 6 | 5.09 | 3.6 | 31.3 | 32.7 | 33.6 | 34.8 | 38.5 |
| ZSTNB 2010-30-09 | 0.5 | 1 | 30 | 0.9 | 0.8 | 0.94 | 1.86 | 75 | 6 | 2.70 | 3.7 | x | 31.4 | 32.8 | 33.7 | 36.9 |
| ZSTNB 2010-35-09 | 0.5 | 1 | 35 | 0.9 | 0.8 | 0.94 | 2.02 | 80 | 6 | 2.70 | 3.3 | x | 36.5 | 38.0 | 39.0 | 43.1 |
| ZSTNB 2010-40-09 | 0.5 | 1 | 40 | 0.9 | 0.8 | 0.94 | 2.17 | 85 | 6 | 2.70 | 3.0 | x | 41.6 | 43.2 | 44.4 | - |
| ZSTNB 2010-50-09 | 0.5 | 1 | 50 | 0.9 | 0.8 | 0.94 | 2.49 | 95 | 6 | 2.70 | 2.5 | x | 51.7 | 53.5 | 55.5 | - |
| ZSTNB 2010-60-09 | 0.5 | 1 | 60 | 0.9 | 0.8 | 0.94 | 2.80 | 105 | 6 | 2.70 | 2.2 | x | 61.8 | 63.8 | 66.6 | - |
| ZSTNB 2010-70-09 | 0.5 | 1 | 70 | 0.9 | 0.8 | 0.94 | 3.11 | 115 | 6 | 2.70 | 1.9 | x | 71.9 | 74.0 | - | - |
| ZSTNB 2015-8-04 | 0.75 | 1.5 | 8 | 0.4 | 1.35 | 1.42 | 1.51 | 55 | 6 | 7.07 | 7.3 | 8.9 | 9.4 | 9.7 | 10.0 | 10.6 |
| ZSTNB 2015-10-04 | 0.75 | 1.5 | 10 | 0.4 | 1.35 | 1.42 | 1.54 | 55 | 6 | 7.07 | 6.6 | 10.9 | 11.5 | 11.9 | 12.2 | 12.9 |
| ZSTNB 2015-12-04 | 0.75 | 1.5 | 12 | 0.4 | 1.35 | 1.42 | 1.57 | 55 | 6 | 7.07 | 6.0 | 13.0 | 13.6 | 14.0 | 14.4 | 15.4 |
| ZSTNB 2015-15-09 | 0.75 | 1.5 | 15 | 0.9 | 1.35 | 1.42 | 1.85 | 60 | 6 | 3.89 | 5.4 | x | 16.4 | 17.2 | 17.8 | 18.8 |
| ZSTNB 2015-20-09 | 0.75 | 1.5 | 20 | 0.9 | 1.35 | 1.42 | 2.01 | 65 | 6 | 3.89 | 4.5 | x | 21.4 | 22.4 | 23.2 | 24.7 |
| ZSTNB 2015-30-09 | 0.75 | 1.5 | 30 | 0.9 | 1.35 | 1.42 | 2.32 | 75 | 6 | 3.89 | 3.4 | x | 31.5 | 32.9 | 33.7 | 37.0 |
| ZSTNB 2018-4-04 | 0.9 | 1.8 | 4 | 0.4 | 1.6 | 1.73 | 1.76 | 50 | 6 | 4.38 | 9.2 | 4.6 | 4.8 | 8.9 | 5.1 | 5.4 |
| ZSTNB 2018-8-04 | 0.9 | 1.8 | 8 | 0.4 | 1.6 | 1.73 | 1.82 | 50 | 6 | 6.61 | 7.1 | 8.6 | 9.0 | 9.2 | 9.4 | 10.2 |
| ZSTNB 2018-12-04 | 0.9 | 1.8 | 12 | 0.4 | 1.6 | 1.73 | 1.88 | 55 | 6 | 6.61 | 5.8 | 12.9 | 13.5 | 14.0 | 14.4 | 15.4 |
| ZSTNB 2018-16-04 | 0.9 | 1.8 | 16 | 0.4 | 1.6 | 1.73 | 1.93 | 60 | 6 | 6.61 | 4.9 | 17.0 | 17.7 | 18.3 | 18.7 | 20.5 |
| ZSTNB 2018-20-04 | 0.9 | 1.8 | 20 | 0.4 | 1.6 | 1.73 | 1.99 | 65 | 6 | 6.61 | 4.3 | 21.2 | 22.3 | 23.0 | 23.6 | 25.6 |
| ZSTNB 2018-24-04 | 0.9 | 1.8 | 24 | 0.4 | 1.6 | 1.73 | 2.04 | 65 | 6 | 6.61 | 3.8 | 25.3 | 26.5 | 27.3 | 27.9 | 30.8 |
| ZSTNB 2018-28-04 | 0.9 | 1.8 | 28 | 0.4 | 1.6 | 1.73 | 2.10 | 70 | 6 | 6.61 | 3.4 | 29.4 | 30.6 | 31.5 | 32.4 | 35.9 |
| ZSTNB 2018-32-04 | 0.9 | 1.8 | 32 | 0.4 | 1.6 | 1.73 | 2.15 | 70 | 6 | 6.61 | 3.0 | 33.4 | 34.8 | 35.7 | 37.1 | - |
| ZSTNB 2018-36-04 | 0.9 | 1.8 | 36 | 0.4 | 1.6 | 1.73 | 2.21 | 75 | 6 | 6.61 | 2.8 | 37.5 | 38.9 | 39.9 | 41.7 | - |
| ZSTNB 2018-38-04 | 0.9 | 1.8 | 38 | 0.4 | 1.6 | 1.73 | 2.24 | 80 | 6 | 6.61 | 2.7 | 39.5 | 41.0 | 42.0 | 44.0 | - |
| ZSTNB 2018-40-04 | 0.9 | 1.8 | 40 | 0.4 | 1.6 | 1.73 | 2.27 | 80 | 6 | 6.61 | 2.6 | 41.5 | 43.1 | 44.2 | 46.3 | - |
| ZSTNB 2020-8-04 | 1 | 2 | 8 | 0.4 | 1.7 | 1.92 | 2.01 | 50 | 6 | 7.42 | 7.0 | 8.7 | 9.0 | 9.2 | 9.5 | 10.2 |
| ZSTNB 2020-12-04 | 1 | 2 | 12 | 0.4 | 1.7 | 1.92 | 2.06 | 55 | 6 | 7.42 | 5.7 | 13.0 | 13.6 | 14.0 | 14.4 | 15.4 |
| ZSTNB 2020-16-04 | 1 | 2 | 16 | 0.4 | 1.7 | 1.92 | 2.12 | 60 | 6 | 7.42 | 4.8 | 17.0 | 17.7 | 18.3 | 18.7 | 20.5 |
| ZSTNB 2020-20-04 | 1 | 2 | 20 | 0.4 | 1.7 | 1.92 | 2.18 | 65 | 6 | 7.42 | 4.1 | 21.3 | 22.3 | 23.0 | 23.6 | 25.6 |
| ZSTNB 2020-20-09 | 1 | 2 | 20 | 0.9 | 1.7 | 1.92 | 2.50 | 65 | 6 | 4.24 | 4.2 | x | 21.4 | 22.4 | 23.2 | 24.6 |
| ZSTNB 2020-25-09 | 1 | 2 | 25 | 0.9 | 1.7 | 1.92 | 2.65 | 65 | 6 | 4.24 | 3.6 | x | 26.5 | 27.7 | 28.5 | 30.8 |
| ZSTNB 2020-30-04 | 1 | 2 | 30 | 0.4 | 1.7 | 1.92 | 2.32 | 70 | 6 | 7.42 | 3.1 | 31.4 | 32.7 | 33.6 | 34.8 | 38.5 |
| ZSTNB 2020-30-09 | 1 | 2 | 30 | 0.9 | 1.7 | 1.92 | 2.81 | 70 | 6 | 4.24 | 3.2 | x | 31.6 | 32.9 | 33.7 | 36.9 |
| ZSTNB2020-35-09 | 1 | 2 | 35 | 0.9 | 1.7 | 1.92 | 2.97 | 75 | 6 | 4.24 | 2.8 | x | 36.6 | 38.0 | 39.0 | - |
| ZSTNB 2020-40-04 | 1 | 2 | 40 | 0.4 | 1.7 | 1.92 | 2.46 | 80 | 6 | 7.42 | 2.5 | 41.5 | 43.1 | 444.2 | 46.3 | - |
| ZSTNB2020-40-09 | 1 | 2 | 40 | 0.9 | 1.7 | 1.92 | 3.12 | 80 | 6 | 4.24 | 2.6 | x | 41.7 | 43.2 | 44.5 | - |
| ZSTNB 2020-50-09 | 1 | 2 | 50 | 0.9 | 1.7 | 1.92 | 3.44 | 90 | 6 | 4.24 | 2.1 | x | 51.8 | 53.5 | 55.5 | - |
| ZSTNB 2020-60-09 | 1 | 2 | 60 | 0.9 | 1.7 | 1.92 | 3.75 | 100 | 6 | 4.24 | 1.8 | x | 61.9 | 63.8 | - | - |
| ZSTNB 2020-70-09 | 1 | 2 | 70 | 0.9 | 1.7 | 1.92 | 4.07 | 110 | 6 | 4.24 | 1.6 | x | 72.0 | 74.1 | - | - |
| ZSTNB 2030-8-04 | 1.5 | 3 | 8 | 0.4 | 2.5 | 2.86 | 2.94 | 50 | 6 | 8.50 | 6.3 | 8.8 | 9.1 | 9.3 | 9.5 | 10.3 |
| ZSTNB 2030-16-04 | 1.5 | 3 | 16 | 0.4 | 2.5 | 2.86 | 3.05 | 55 | 6 | 12.52 | 4.1 | 17.2 | 17.8 | 18.3 | 18.7 | 20.6 |
| ZSTNB 2030-20-04 | 1.5 | 3 | 20 | 0.4 | 2.5 | 2.86 | 3.10 | 60 | 6 | 12.52 | 3.4 | 21.2 | 22.0 | 22.6 | 23.3 | 25.7 |
| ZSTNB 2030-30-04 | 1.5 | 3 | 30 | 0.4 | 2.5 | 2.86 | 3.24 | 70 | 6 | 12.52 | 2.5 | 31.6 | 32.8 | 33.7 | 34.9 | - |
| ZSTNB 2030-30-09 | 1.5 | 3 | 40 | 0.9 | 2.5 | 2.86 | 3.72 | 70 | 6 | 6.95 | 2.6 | x | 31.8 | 33.0 | 33.8 | - |
| ZSTNB 2030-40-04 | 1.5 | 3 | 40 | 0.4 | 2.5 | 2.86 | 3.38 | 80 | 6 | 12.52 | 2.0 | 41.7 | 43.2 | 44.3 | - | - |
| ZSTNB 2030-40-09 | 1.5 | 3 | 40 | 0.9 | 2.5 | 2.86 | 4.04 | 80 | 6 | 6.95 | 2.0 | x | 41.9 | 43.3 | - | - |
| ZSTNB 2030-50-09 | 1.5 | 3 | 50 | 0.9 | 2.5 | 2.86 | 4.35 | 90 | 6 | 6.95 | 1.7 | x | 52.0 | 53.6 | - | - |
| ZSTNB 2030-60-09 | 1.5 | 3 | 60 | 0.9 | 2.5 | 2.86 | 4.67 | 100 | 6 | 6.95 | 1.4 | x | 62.1 | - | - | - |
| ZSTNB 2030-70-09 | 1.5 | 3 | 70 | 0.9 | 2.5 | 2.86 | 4.98 | 110 | 6 | 6.95 | 1.2 | x | 72.1 | - | - | - |
| ZSTNB 2040-20-10 | 2 | 4 | 20 | 1 | 8 | 3.86 | 4.28 | 70 | 8 | 12.01 | 5.0 | 20.5 | 21.6 | 22.3 | 22.8 | 23.5 |
| ZSTNB 2040-30-10 | 2 | 4 | 30 | 1 | 8 | 3.86 | 4.63 | 80 | 8 | 12.01 | 3.51 | 22.0 | 31.6 | 32.5 | 33.2 | 34.16 |
| ZSTNB 2040-40-10 | 2 | 4 | 40 | 1 | 8 | 3.86 | 4.98 | 90 | 8 | 12.01 | 2.7 | 22.0 | 31.6 | 32.5 | 33.2 | 34.16 |
| ZSTNB 2040-50-10 | 2 | 4 | 50 | 1 | 8 | 3.86 | 5.33 | 100 | 8 | 12.01 | 2.2 | 22.0 | 52.0 | 53.6 | 54.7 | - |
| ZSTNB 2040-60-10 | 2 | 4 | 60 | 1 | 8 | 3.86 | 5.68 | 110 | 8 | 12.01 | 1.9 | 22.0 | 62.0 | 63.8 | - | - |
| ZSTNB 2050-30-10 | 2.5 | 5 | 30 | 1 | 10 | 4.86 | 5.56 | 80 | 8 | 14.01 | 2.8 | 25.5 | 31.7 | 32.6 | 33.2 | - |
| ZSTNB 2050-40-10 | 2.5 | 5 | 40 | 1 | 10 | 4.86 | 5.91 | 90 | 8 | 14.01 | 2.1 | 25.5 | 41.7 | 42.8 | 43.5 | - |
| ZSTNB 2050-60-10 | 2.5 | 5 | 60 | 1 | 10 | 4.86 | 6.61 | 110 | 8 | 14.01 | 1.5 | 25.5 | 62.1 | - | - | - |
| ZSTNB 2060-30-10 | 3 | 6 | 30 | 1 | 12 | 5.86 | 6.49 | 80 | 8 | 16.01 | 1.9 | 29.0 | 31.8 | 32.6 | - | - |
| ZSTNB 2060-40-10 | 3 | 6 | 40 | 1 | 12 | 5.86 | 6.84 | 90 | 8 | 16.01 | 1.5 | 29.0 | 41.8 | - | - | - |
| ZSTNB 2060-50-10 | 3 | 6 | 50 | 1 | 12 | 5.86 | 7.19 | 100 | 8 | 16.01 | 1.2 | 29.0 | 51.8 | - | - | - |
| ZSTNB 2060-60-10 | 3 | 6 | 60 | 1 | 12 | 5.86 | 7.54 | 110 | 10 | 16.01 | 1.9 | 29.0 | 62.2 | 63.9 | - | - |
| ZSTNB 2060-70-10 | 3 | 6 | 70 | 1 | 12 | 5.86 | 7.89 | 120 | 10 | 16.01 | 1.7 | 29.0 | 72.2 | 74.1 | - | - |
| ZSTNB 2060-80-10 | 3 | 6 | 80 | 1 | 12 | 5.86 | 8.23 | 130 | 10 | 16.01 | 1.5 | 29.0 | 82.2 | - | - | - |
| ZSTNB 2080-50-10 | 4 | 8 | 50 | 1 | 14 | 7.86 | 9.12 | 110 | 10 | 18.01 | 1.2 | 32.0 | 51.9 | - | - | - |
| ZSTNB 2080-60-10 | 4 | 8 | 60 | 1 | 14 | 7.86 | 9.47 | 120 | 10 | 18.01 | 1.0 | 32.0 | - | - | - | - |
| ZSTNB 2080-70-10 | 4 | 8 | 70 | 1 | 14 | 7.86 | 9.82 | 130 | 10 | 18.01 | 0.9 | 32.0 | - | - | - | - |
| ZSTNB 2080-80-10 | 4 | 8 | 80 | 1 | 14 | 7.86 | 10.16 | 140 | 12 | 18.01 | 1.5 | 32.0 | 82.3 | - | - | - |
| ZSTNB 2100-60-10 | 5 | 10 | 60 | 1 | 18 | 9.86 | 11.33 | 130 | 12 | 22.01 | 1.1 | 39.0 | 62.1 | - | - | - |
| ZSTNB 2100-75-10 | 5 | 10 | 75 | 1 | 18 | 9.86 | 11.85 | 140 | 12 | 22.01 | 0.9 | 39.0 | - | - | - | - |
| 탄소강 (S45C, S55C...) ~ HB225 |
합금강 (SCM, SK...) HB225~325 |
프리하든강 (NAK...) HRc30~50 |
열처리강 | 동 | 흑연 | 주철 FCD400. 500~ |
알루미늄 | 스테인리스강 | |
|---|---|---|---|---|---|---|---|---|---|
| ~HRc55 SKD61 | ~HRc55 SKD11 | ||||||||
| ○ | ○ | ◎ | ◎ | ○ | |||||
| 외경 | 래디우스 | 자루부 |
|---|---|---|
| 6 이하 | ±0.005 | h6 |
| 6 초과 | ±0.01 |