HOME > 제품소개 > 엔드밀



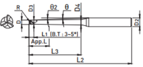
| EDP. No. | 규격(mm) | 유 효 길 이 | ||||||||||||||
|---|---|---|---|---|---|---|---|---|---|---|---|---|---|---|---|---|
| R | D | L2 | θ | L1 | d1 | d2 | L3 | d3 | App. L | θ2 | 0.5° | 1° | 1.5° | 2° | 3° | |
| ZSTNB 3020-8-04 | 1 | 2 | 8 | 0.4 | 1.7 | 1.92 | 2.01 | 50 | 6 | 7.45 | 7.0 | 8.7 | 9.0 | 9.2 | 9.5 | 10.2 |
| ZSTNB 3020-12-04 | 1 | 2 | 12 | 0.4 | 1.7 | 1.92 | 2.06 | 55 | 6 | 7.42 | 5.7 | 13.0 | 13.6 | 14.0 | 14.4 | 15.4 |
| ZSTNB 3020-16-04 | 1 | 2 | 16 | 0.4 | 1.7 | 1.92 | 2.12 | 60 | 6 | 7.42 | 4.8 | 17.0 | 17.7 | 18.3 | 18.7 | 20.5 |
| ZSTNB 3020-20-04 | 1 | 2 | 20 | 0.4 | 1.7 | 1.92 | 2.18 | 65 | 6 | 7.42 | 4.1 | 21.3 | 22.3 | 23.0 | 23.6 | 25.6 |
| ZSTNB 3020-20-09 | 1 | 2 | 20 | 0.9 | 1.7 | 1.92 | 2.50 | 65 | 6 | 4.24 | 4.2 | x | 21.4 | 22.4 | 23.2 | 24.6 |
| ZSTNB 3020-25-09 | 1 | 2 | 25 | 0.9 | 1.7 | 1.92 | 2.65 | 65 | 6 | 4.24 | 3.6 | x | 26.5 | 27.7 | 28.5 | 30.8 |
| ZSTNB 3020-30-04 | 1 | 2 | 30 | 0.4 | 1.7 | 1.92 | 2.32 | 70 | 6 | 7.42 | 3.1 | 31.4 | 32.7 | 33.6 | 34.8 | 38.5 |
| ZSTNB 3020-30-09 | 1 | 2 | 30 | 0.9 | 1.7 | 1.92 | 2.81 | 70 | 6 | 4.24 | 3.2 | x | 31.6 | 32.9 | 33.7 | 36.9 |
| ZSTNB 3020-35-09 | 1 | 2 | 35 | 0.9 | 1.7 | 1.92 | 2.97 | 75 | 6 | 4.24 | 2.8 | x | 36.6 | 38.0 | 39.0 | - |
| ZSTNB 3020-40-04 | 1 | 2 | 40 | 0.4 | 1.7 | 1.92 | 2.46 | 80 | 6 | 7.42 | 2.5 | 41.5 | 43.1 | 44.2 | 46.3 | - |
| ZSTNB 3020-40-09 | 1 | 2 | 40 | 0.9 | 1.7 | 1.92 | 3.12 | 80 | 6 | 4.24 | 2.6 | x | 41.7 | 43.2 | 44.5 | - |
| ZSTNB 3020-50-09 | 1 | 2 | 50 | 0.9 | 1.7 | 1.92 | 3.44 | 90 | 6 | 4.24 | 2.1 | x | 51.8 | 53.5 | 55.5 | - |
| ZSTNB 3020-60-09 | 1 | 2 | 60 | 0.9 | 1.7 | 1.92 | 3.75 | 100 | 6 | 4.24 | 1.8 | x | 61.9 | 63.8 | - | - |
| ZSTNB 3020-70-09 | 1 | 2 | 70 | 0.9 | 1.7 | 1.92 | 4.07 | 110 | 6 | 4.24 | 1.6 | x | 72.0 | 74.1 | - | - |
| ZSTNB 3030-8-04 | 1.5 | 3 | 8 | 0.4 | 2.5 | 2.86 | 2.94 | 50 | 6 | 8.50 | 6.3 | 8.8 | 9.1 | 9.3 | 9.5 | 10.3 |
| ZSTNB 3030-16-04 | 1.5 | 3 | 16 | 0.4 | 2.5 | 2.86 | 3.05 | 55 | 6 | 12.52 | 4.1 | 17.2 | 17.8 | 18.3 | 18.7 | 20.6 |
| ZSTNB 3030-20-04 | 1.5 | 3 | 20 | 0.4 | 2.5 | 2.86 | 3.10 | 60 | 6 | 12.52 | 3.4 | 21.2 | 22.0 | 22.6 | 23.3 | 25.7 |
| ZSTNB 3030-30-04 | 1.5 | 3 | 30 | 0.4 | 2.5 | 2.86 | 3.24 | 70 | 6 | 12.52 | 2.5 | 31.6 | 32.8 | 33.7 | 34.9 | - |
| ZSTNB 3030-30-09 | 1.5 | 3 | 30 | 0.9 | 2.5 | 2.86 | 3.72 | 70 | 6 | 6.95 | 2.6 | x | 31.8 | 33.0 | 33.8 | - |
| ZSTNB 3030-40-04 | 1.5 | 3 | 40 | 0.4 | 2.5 | 2.86 | 3.38 | 80 | 6 | 12.52 | 2.0 | 41.7 | 43.2 | 44.3 | - | - |
| ZSTNB 3030-40-09 | 1.5 | 3 | 40 | 0.9 | 2.5 | 2.86 | 4.04 | 80 | 6 | 6.95 | 2.0 | x | 41.9 | 43.3 | - | - |
| ZSTNB 3030-50-09 | 1.5 | 3 | 50 | 0.9 | 2.5 | 2.86 | 4.35 | 90 | 6 | 6.95 | 1.7 | x | 52.0 | 53.6 | - | - |
| ZSTNB 3030-60-09 | 1.5 | 3 | 60 | 0.9 | 2.5 | 2.86 | 4.67 | 100 | 6 | 6.95 | 1.4 | x | 62.1 | - | - | - |
| ZSTNB 3030-70-09 | 1.5 | 3 | 70 | 0.9 | 2.5 | 2.86 | 4.98 | 110 | 6 | 6.95 | 1.2 | x | 72.1 | - | - | - |
| ZSTNB 3040-20-10 | 2 | 4 | 20 | 1 | 8 | 3.86 | 4.28 | 70 | 8 | 12.01 | 5.0 | 20.5 | 21.6 | 22.3 | 22.8 | 23.5 |
| ZSTNB 3040-30-10 | 2 | 4 | 30 | 1 | 8 | 3.86 | 4.63 | 80 | 8 | 12.01 | 3.6 | 22.0 | 31.6 | 32.5 | 33.2 | 34.1 |
| ZSTNB 3040-40-10 | 2 | 4 | 40 | 1 | 8 | 3.86 | 4.98 | 90 | 8 | 12.01 | 2.7 | 22.0 | 42.0 | 43.4 | 44.3 | - |
| ZSTNB 3040-50-10 | 2 | 4 | 50 | 1 | 8 | 3.86 | 5.33 | 100 | 8 | 12.01 | 2.2 | 22.0 | 52.0 | 53.6 | 54.7 | - |
| ZSTNB 3040-60-10 | 2 | 4 | 60 | 1 | 8 | 3.86 | 5.68 | 110 | 8 | 12.01 | 1.9 | 22.0 | 62.0 | 63.8 | - | - |
| ZSTNB 3050-30-10 | 2.5 | 5 | 30 | 1 | 10 | 4.86 | 5.56 | 80 | 8 | 14.01 | 2.8 | 25.5 | 31.7 | 32.6 | 33.2 | - |
| ZSTNB 3050-40-10 | 2.5 | 5 | 40 | 1 | 10 | 4.86 | 5.91 | 90 | 8 | 14.01 | 2.8 | 25.5 | 31.7 | 32.6 | 33.2 | - |
| ZSTNB 3050-60-10 | 2.5 | 5 | 60 | 1 | 10 | 4.86 | 6.61 | 110 | 8 | 12.52 | 1.5 | 25.5 | 62.1 | - | - | - |