HOME > 제품소개 > 탭


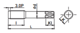
| EDP. No. | 호칭치수 | 유효지름정도 | Basic Major Dia(mm) | L | I | d | K | KI | 날수 |
|---|---|---|---|---|---|---|---|---|---|
| VSOPF1/8 | 1/8-28 | JISⅡ | 9.728 | 55 | 19 | 8 | 6 | 9 | 4 |
| VSOPF1/4 | 1/4-19 | JISⅡ | 13.157 | 62 | 28 | 11 | 9 | 12 | 4 |
| VSOPF3/8 | 3/8-19 | JISⅡ | 16.662 | 65 | 28 | 14 | 11 | 14 | 4 |
| VSOPF1/2 | 1/2-14 | JISⅡ | 20.955 | 80 | 35 | 18 | 14 | 17 | 4 |
| VSOPF3/4 | 3/4-14 | JISⅡ | 26.441 | 85 | 35 | 23 | 17 | 20 | 4 |
| VSOPF1 | 1-11 | JISⅡ | 33.249 | 95 | 45 | 26 | 21 | 24 | 4 |