제품소개

엔드밀

HOME > 제품소개 > 엔드밀

ESE704 series 고경도용 ㆍ 이코노스타



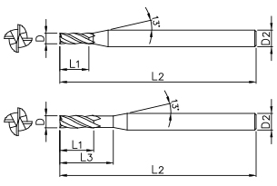
4날, 넥 타입 스퀘어 엔드밀
  • 4 FLUTES NECK TYPE SQUARE ENDMILL

  • 최적의 경사 적용으로 인선부 강성 보완
  • 고강도 인선으로 내치핑성 내마모성 향상


EDP. No. D L1 L2 L3 D2
ESE70401011.5406
ESE704010S411.5404
ESE7040151.52.2406
ESE704020234066
ESE704020S4234064
ESE7040252.544066
ESE704030344576
ESE7040353.559456
ESE704040459456
ESE7040454.5610456
ESE7040505650116
ESE7040606750146
ESE7040808960188
ESE7041001012752510
ESE7041201215753012
ESE7041601618903816
ESE70420020241004520